联系我们CONTACT US
地址:海南省海口市玉沙路58号
手机:13988889999
电话:0898-88889999
邮箱:admin@eyoucms.com
查看更多
R主营项目PRODUCT
你的位置: 首页 > 主营项目 > 主营项目二

伺服电机的特点特性、种类分类及伺服电机的应用

发布时间:2025-08-02 08:05:33  点击量:

  (servo motor )是指在伺服系统中控制机械元件运转的发动机,是一种补助马达间接变速装置。伺服可使控制速度,位置精度非常准确,可以将电压信号转化为转矩和转速以驱动控制对象。伺服转子转速受输入信号控制,并能快速反应,在自动控制系统中,用作执行元件,且具有机电时间常数小、线性度高、始动电压等特性,可把所收到的电信号转换成电动机轴上的角位移或角速度输出。分为直流和交流伺服电动机两大类,其主要特点是,当信号电压为零时无自转现象,转速随着转矩的增加而匀速下降。

  转动惯量小、启动电压低、空载电流小; 弃接触式换向系统,大大提高电机转速,最高转速高达100 000rpm;无刷伺服电机在执行伺服控制时,无须编码器也可实现速度、位置、扭矩等的控制; 不存在电刷磨损情况,除转速高之外,还具有寿命长、噪音低、无电磁干扰等特点。

  3、适应性:抗过载能力强,能承受三倍于额定转矩的负载,对有瞬间负载波动和要求快速起动的场合特别适用;

  4、稳定:低速运行平稳,低速运行时不会产生类似于步进电机的步进运行现象。适用于有高速响应要求的场合;

  简单点说就是:平常看到的那种普通的电机,断电后它还会因为自身的惯性再转一会儿,然后停下。而伺服电机和步进电机是说停就停,说走就走,反应极快。但步进电机存在失步现象。

  伺服电机的应用领域就太多了。只要是要有动力源的,而且对精度有要求的一般都可能涉及到伺服电机。如机床、印刷设备、包装设备、纺织设备、激光加工设备、机器人、自动化生产线等对工艺精度、加工效率和工作可靠性等要求相对较高的设备。

  伺服电机分为直流与交流两大类,直流电机又分为有刷与无刷两类;交流电机可分为异步与同步两类。

  有刷电机成本低,结构简单,启动转矩大,调速范围宽,控制容易,需要维护,但维护不方便(换碳刷),产生电磁干扰,对环境有要求。因此它可以用于对成本敏感的普通工业和民用场合。

  无刷电机体积小,重量轻,出力大,响应快,速度高,惯量小,转动平滑,力矩稳定。控制复杂,容易实现智能化,其电子换相方式灵活,可以方波换相或正弦波换相。电机免维护,效率很高,运行温度低,电磁辐射很小,长寿命,可用于各种环境。

  交流伺服电机也是无刷电机,分为同步和异步电机,目前运动控制中一般都用同步电机,它的功率范围大,可以做到很大的功率。大惯量,最高转动速度低,且随着功率增大而快速降低。因而适合做低速平稳运行的应用。

  伺服电机:是在伺服系统中控制机械元件运转的发动机,是一种补助马达间接变速装置。伺服电机是可以连续旋转的电-机械转换器。作为液压阀控制器的伺服电机,属于功率很小的微特电机,以永磁式直流伺服电机和并激式直流伺服电机最为常用。

  直流伺服电机的输出转速与输入电压成正比,并能实现正反向速度控制。具有起动转矩大,调速范围宽,机械特性和调节特性的线性度好,控制方便等优点,但换向电刷的磨损和易产生火花会影响其使用寿命。近年来出现的无刷直流伺服电机避免了电刷摩擦和换向干扰,因此灵敏度高,死区小,噪声低,寿命长,对周围电子设备干扰小。

  直流伺服电机的输出转速/输入电压的传递函数可近似视为一阶迟后环节,其机电时间常数一般大约在十几毫秒到几十毫秒之间。而某些低惯量直流伺服电机(如空心杯转子型、印刷绕组型、无槽型)的时间常数仅为几毫秒到二十毫秒。

  小功率规格的直流伺服电机的额定转速在3000r/min以上,甚至大于10000r/min。因此作为液压阀的控制器需配用高速比的减速器。而直流力矩伺服电机(即低速直流伺服电机)可在几十转/分的低速下,甚至在长期堵转的条件下工作,故可直接驱动被控件而不需减速

  有刷电机成本低,结构简单,启动转矩大,调速范围宽,控制容易,需要维护,但维护方便(换碳刷),产生电磁干扰,对环境有要求。因此它可以用于对成本敏感的普通工业和民用场合。

  无刷电机体积小,重量轻,出力大,响应快,速度高,惯量小,转动平滑,力矩稳定。控制复杂,容易实现智能化,其电子换相方式灵活,可以方波换相或正弦波换相。电机免维护,效率很高,运行温度低,电磁辐射很小,长寿命,可用于各种环境。

  交流伺服电机也是无刷电机,分为同步和异步电机,目前运动控制中一般都用同步电机,它的功率范围大,可以做到很大的功率。大惯量,最高转动速度低,且随着功率增大而快速降低。因而适合做低速平稳运行的应用。

  伺服电机内部的转子是永磁铁,驱动器控制的U/V/W三相电形成电磁场,转子在此磁场的作用下转动,同时电机自带的编码器反馈信号给驱动器,驱动器根据反馈值与目标值进行比较,调整转子转动的角度。伺服电机的精度决定于编码器的精度(线数)。

  交流伺服要好一些,因为是正弦波控制,转矩脉动小。直流伺服是梯形波。但直流伺服比较简单,便宜。

  20世纪80年代以来,随着集成电路、电力电子技术和交流可变速驱动技术的发展,永磁交流伺服驱动技术有了突出的发展,各国著名电气厂商相继推出各自的交流伺服电动机和伺服驱动器系列产品并不断完善和更新。交流伺服系统已成为当代高性能伺服系统的主要发展方向,使原来的直流伺服面临被淘汰的危机。90年代以后,世界各国已经商品化了的交流伺服系统是采用全数字控制的正弦波电动机伺服驱动。交流伺服驱动装置在传动领域的发展日新月异。永磁交流伺服电动机同直流伺服电动机比较,主要优点有:

  你将获得一个更好地了解和伺服放大器经营如果你看到一些典型的应用。图11-90显示一个例子马达来控制的新闻供稿。在这片材应用是馈入的记者在那里它是切断长度以刀刀片或纯粹的。片材可拥有一个标志或其他广告,必须排队登记号码的分界点。在此应用的速度和坡位置的片材必须同步进行正确的切点。反馈传感器可编码或解析器是加上光电传感器,以确定位置的登记标志。运营商提供的面板,使运营商可以慢跑的系统维护的刀片时,或当加载一个新推出的材料。在操作面板还可以用来调用参数,驱动器,肺心病,应对每类材料的使用。该系统还可以集成了可编程序控制器或其他类型的控制器和操作面板可以用来选择正确的临界点,每种类型的材料或产品运行。

  第二次申请是在图所示。在本应用多个灌装头线与瓶因为他们沿着不断线。每个灌装头必须匹配了一个瓶子,瓶子轨道,而它正朝着。产品是作为配移动的喷嘴与瓶。在本应用10个喷嘴安装在一辆马车是驱动滚珠丝杠机制。在滚珠丝杠机制也称为丝杠。当电动机转动轴滚珠丝杠,马车将沿着横向的长度滚珠丝杠轴。这一运动将是顺利的,使每一个喷嘴可病pense产品的瓶子没有油污。

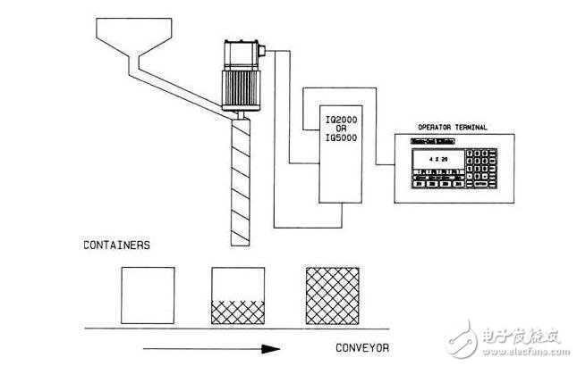
  伺服驱动系统采用了定位驱动器控制器的软件,使位置和速度被跟踪的输送线移动瓶。主编码器跟踪瓶因为他们沿着输送线。一种螺旋式进料系统也使用之前的地步瓶进入加油站。螺旋导致具体数额的空间之间的规定,每瓶在进入加油站。该瓶可装紧紧他们的做法螺旋,但他们通过螺旋其空间是完全相同,使脖子的瓶子将符合生育间隔的灌装喷嘴。探测器还结合配药制度,以确保没有任何产品是免除从喷管一瓶,如果丢失或出现大空格之间瓶。

  伺服驱动系统比较的立场瓶从主编码器的反馈信号,表明的立场,填补运输安装的滚珠丝杆。伺服驱动器放大器将增加或减少的速度滚珠丝杠机制,使喷嘴将匹配的速度瓶到底。

  第三个申请伺服系统提供了图。在这一个大的应用填补坦克是用来填补他们的集装箱通过沿输送线。该材料是配药的集装箱可以是一个单一的材料补,也可以是几个队友,里亚尔增加一个集装箱是倒进搅拌机的混合操作。由于数额材料,配入集装箱必须准确地衡量和计量的方块中,一个螺旋是控制的伺服系统使用。反馈传感器,这一系统可以成为称重系统。该命令的信号可以来自一个可编程序控制器或经营者可以在此输入手动选择一个配方从运营商的终端。数额玛材料可以从不同的配方食谱。

  图应用程序的一个精确的螺旋加油站控制的伺服电机。速度螺旋可以调整,以便它在运行的高速时,协商tainer将首先被填补,和速度可以放慢一点在最后克的材料可以准确计量容器填补适当点。由于材料价格的上升,精密灌装设备可以提供储蓄以及质量的数额使用的产品配方。

  第四个应用程序的伺服控制速度的标签饲料机制,拉预先标签进行了唱名,并将其应用于封装移动连续输送系统过去的标记机制。反馈信号提供的编码器,显示的位置输送带,环发生器,显示的速度输送,和一个传感器,显示的登记号码在每个标签。伺服定位系统是由一个微处理器,规定的错误信号,伺服放大器,功率信号提供的伺服电机。此应用程序图所示。11-93 。

  第五,提出申请图。显示了一系列的包装设备,可作为三个独立的机器。时间周期的每个车站的包装系统是独立于其他人。包装系统包括一个料输送机,输送定位和包装站。该料输送和包装机械站连接,使它们运行在相同的速度。的立场包的包装站必须严格控制,使包装不会成为太接近对方。一片金属所谓的飞行协商nected的包装输送站的具体点,以确保每包留在的位置。传感器安装在年初的定位,确定输送前缘包时,开始走上定位输送。第二个传感器是处于底部的传送带包装检测航班。这两个信号的传感器传送到马达,提供信息,以便伺服可以调整的速度定位输送,使每个包赞同之一的飞行动作,因为它的包装上传送带。此应用表明,该伺服定位控制器能够处理各种不同的信号,从多个传感器,因为该控制器采用微处理器。

【返回列表页】

顶部

地址:海南省海口市玉沙路58号  电话:0898-88889999 手机:13988889999
 ICP备案编:琼ICP备88889999号